Dom / Vijesti

Vijesti

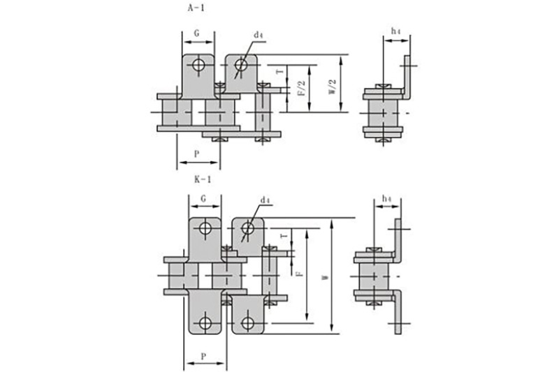
Proizvođač transportnih lanaca predstavlja strukturu mehaničkog lanca

Proizvođač transportnih lanaca predstavlja strukturu mehaničkog lanca

Transportni lanac Proizvođač je naveo da strukturu mehaničkog lanca čine zubi zupčanika, utori zuba, čeone površine, normalne površine,...

Koje su metode trošenja industrijskih lančanika

Koje su metode trošenja industrijskih lančanika

Koje su metode trošenja Industrijski lančanik ? 1. Abrazivno trošenje: To je brušenje površine zuba uzrokovano malim strani...

4 uobičajene metode podmazivanja lisnog lanca

4 uobičajene metode podmazivanja lisnog lanca

Bez obzira na to koliko dugo se lanac koristi, potrebno ga je redovito održavati. Na primjer, čišćenje i podmazivanje su načini produljenja vije...

Kako razumno i ispravno koristiti industrijski lanac

Kako razumno i ispravno koristiti industrijski lanac

Industrijski lanac je vrlo čest lanac, uglavnom se koristi u industrijskom okruženju, pa na što treba obratiti pozornost pri korištenju ov...

Kako ispravno očistiti i popraviti tihi lanac

Kako ispravno očistiti i popraviti tihi lanac

Normalan rad Tihi lanac oslanja se na uobičajeno održavanje i zaštitu lanca. Za lanac koji je potrebno očistiti, preporučuje se koriš...

Mjere opreza pri postavljanju lanca motocikla

Mjere opreza pri postavljanju lanca motocikla

Lanac motocikla je važan dio motocikala. Njegova funkcija je da motocikli voze i pokreću motocikle. Zatim pogledajmo kako instalirati l...

Koje su industrije primjene valjkastih lanaca

Koje su industrije primjene valjkastih lanaca

Zbog svojih specifičnih funkcija, Valjkasti lanac ima drugačiju metodu sastavljanja od ostalih lanaca, stvarajući jedinstvenu izdržlj...

Koja je uloga pogonskog lanca

Koja je uloga pogonskog lanca

U svakodnevnom životu često možemo vidjeti svakakve vrste Pogonski lanac . Jednostavno rečeno, lanac je prsten izrađen od metala, a z...

3 načina za procjenu kvalitete valjkastog lanca

3 načina za procjenu kvalitete valjkastog lanca

3 načina za procjenu kvalitete Valjkasti lanac : 1. Kvaliteta lanca može se razlikovati od izgleda To uglavnom ovisi o d...

Strategija čišćenja pogonskog lanca

Strategija čišćenja pogonskog lanca

Pogonski lanac strategija čišćenja: 1. Topla voda sa sapunicom, dezinfekciono sredstvo za ruke, koristite staru četkicu za zube...

Mjere opreza za korištenje poljoprivrednog lanca

Mjere opreza za korištenje poljoprivrednog lanca

Mjere opreza pri uporabi Poljoprivredni lanac : 1. Dobra pouzdanost i mogućnost održavanja. Lanac bi trebao biti otporan na p...

Održavanje Poznavanje lanca prijenosa

Održavanje Poznavanje lanca prijenosa

The Prijenosni lanac je vrlo kritična prijenosna struktura u mehaničkoj opremi, koja utječe na radne performanse i životni vijek opre...