Dom / Vijesti

Vijesti

Vještine tihog održavanja lanca

Vještine tihog održavanja lanca

Lanac je općenito metalna karika ili prsten, koji se uglavnom koristi za mehanički prijenos i vuču. Pogledajmo metode održavanja Tihi lana...

Koji su uobičajeni uzroci oštećenja lanca motocikla

Koji su uobičajeni uzroci oštećenja lanca motocikla

Lanac motocikla , kao uobičajeni uređaj za prijenos sile, koristi dizajn "lanca" hiperboličnog luka za smanjenje trenja. Koristi se na mjesti...

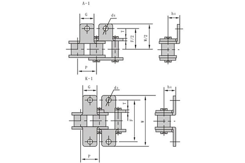
Koji su dijelovi valjkastog lanca

Koji su dijelovi valjkastog lanca

Koji su dijelovi Valjkasti lanac ? 1. Osovina klina: vitki cilindrični element koji se koristi kao os rotacije šarke lanca....

Proizvođači pogonskih lanaca predstavljaju odnos između lanca i lančanika

Proizvođači pogonskih lanaca predstavljaju odnos između lanca i lančanika

Pogonski lanac Proizvođači su uveli da se lančanik pokreće lancem, a jedinica modela općenito je na engleskom jeziku. Postoje jednoredn...

Proizvođač poljoprivrednog lanca predstavlja pripremu lanca

Proizvođač poljoprivrednog lanca predstavlja pripremu lanca

Poljoprivredni lanac proizvođač uvodi da se lanac mora pripremiti kako bi se provjerilo ima li vijaka u lancu prije pokretanja i jesu l...

Proizvođač lanca prijenosa predstavlja kako održavati lanac

Proizvođač lanca prijenosa predstavlja kako održavati lanac

Kada je lanac podvrgnut tretmanu protiv hrđe kako bi se riješio radni proces, potrebno je prvo obrisati pastu za kiseljenje na njegovoj površini...

Zašto lisni lanac ima uobičajene probleme odstupanja

Zašto lisni lanac ima uobičajene probleme odstupanja

S kontinuiranim trendom razvoja u području lanaca od nehrđajućeg čelika, lančani proizvodi od nehrđajućeg čelika također su naširoko korišteni. ...

Pojedinosti o dnevnom održavanju industrijskog lanca

Pojedinosti o dnevnom održavanju industrijskog lanca

Industrijski lanac je prednosti i pojedinosti o svakodnevnom održavanju: 1. Ako pogonski lanac nije u smjeru, na...

Proizvođači tihih lanaca predstavljaju kako se ispravno nositi s pogreškom lančanika od nehrđajućeg čelika

Proizvođači tihih lanaca predstavljaju kako se ispravno nositi s pogreškom lančanika od nehrđajućeg čelika

Tihi lanac Proizvođači predstavljaju kako se ispravno nositi s pogreškom lančanika od nehrđajućeg čelika? Promatrajte h...

Proizvođači lanaca za motocikle predstavljaju uobičajene metode za rješavanje problema lančanika

Proizvođači lanaca za motocikle predstavljaju uobičajene metode za rješavanje problema lančanika

Lanac motocikla Proizvođači predstavljaju uobičajene metode za rješavanje problema lančanika: 1. Razlog neravnomjerne n...

Roller Chain Manufacturers predstavlja kako se ispravno nositi s pogreškama lančanika

Roller Chain Manufacturers predstavlja kako se ispravno nositi s pogreškama lančanika

Kada lančanik od nehrđajućeg čelika ima grešku, ne bismo trebali žuriti da je riješimo. Slijedimo Valjkasti lanac Proizvođači trebaju...

Proizvođači pogonskih lanaca predstavljaju kako brzo ukloniti oštećene ležajeve lančanika

Proizvođači pogonskih lanaca predstavljaju kako brzo ukloniti oštećene ležajeve lančanika

Pogonski lanac Proizvođači su predstavili kako brzo ukloniti oštećene ležajeve lančanika: 1. Postupno uklonite završne kapic...