Dom / Vijesti

Vijesti

Kako odabrati lanac za terenski motocikl?

Kako odabrati lanac za terenski motocikl?

Terenska vozila i motocikli popularna su sportska opcija za mnoge ljude, ali pri korištenju ovih vozila moramo obratiti pozornost na održavanje i o...

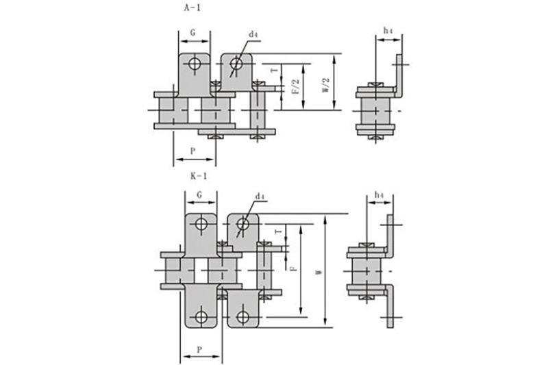
Nevidljivi pobjednik u prijenosu snage - lanac brtve ulja

Nevidljivi pobjednik u prijenosu snage - lanac brtve ulja

Kontinuiranim razvojem industrijske tehnologije lanci brtvila, kao važna komponenta u području mehaničkih prijenosa, dobivaju sve veću pozornost. N...

Mjere opreza pri skladištenju lanca motocikla

Mjere opreza pri skladištenju lanca motocikla

Mjere opreza pri skladištenju Lanac motocikla : 1. Pretjerano vlažno okruženje za skladištenje uzrokovat će oksidaciju lanca,...

Silent Chains Wholesalers uvodi mjere opreza za kupnju lanaca

Silent Chains Wholesalers uvodi mjere opreza za kupnju lanaca

U našim životima opseg primjene lanca je vrlo širok, a uloga lanca vrlo velika. Štoviše, postoji mnogo stvari na koje trebamo obratiti pozornost...

Proizvođači industrijskih lanaca predstavljaju vještine korištenja transportnih lanaca

Proizvođači industrijskih lanaca predstavljaju vještine korištenja transportnih lanaca

Lanac pokretne trake Za mnoge ljude koji se bave industrijskom proizvodnjom proizvodi s lancem pokretne trake uobičajeni su. Kao važan simbol au...

Veleprodaja industrijskih lančanika predstavlja kako instalirati lančanike

Veleprodaja industrijskih lančanika predstavlja kako instalirati lančanike

Lančanik je važan dio lančanog pogona, a prijenos se formira kontinuiranim zahvatom između zuba lančanika i karika lanca. Naširoko se koristi u ...

Proizvođači pogonskih lanaca predstavljaju zahtjeve za bojanje nestandardnih lanaca

Proizvođači pogonskih lanaca predstavljaju zahtjeve za bojanje nestandardnih lanaca

S razvojem vremena stvoreni su mnogi proizvodi bogati značajkama. Vjerujem da ste čuli za izraz nestandardno. To su uglavnom proizvodi proizvede...

Zahtjevi za čišćenje pogonskog lanca

Zahtjevi za čišćenje pogonskog lanca

Pogonski lanac zahtjevi za čišćenje: 1. Lanac se najviše boji zapinjanja, a potrebno je dosta truda da ga olabavite. Nakon popu...

Heavy Duty Motorcycle Chains Factory predstavlja tri načina prijenosa motocikala

Heavy Duty Motorcycle Chains Factory predstavlja tri načina prijenosa motocikala

Tvornica lanaca za teške motore uvodi tri načina prijenosa motocikala: 1. Prednosti lančanog pogona: ①Mala težina, brzo po...

Proces rastavljanja pogonskog lanca bicikla

Proces rastavljanja pogonskog lanca bicikla

Popularnost bicikala već je dio života, pa ćete se u procesu korištenja bicikala susresti s raznim problemima. Sada, pogledajmo postupak rastavl...

Uzroci buke u pogonskom lancu

Uzroci buke u pogonskom lancu

Razlozi za buku Pogonski lanac : 1. Debljina stijenke bešavne čelične cijevi koja se koristi za proizvodnju valjka je nejedna...

Proizvođači lanaca za motocikle predstavili razloge zašto se lanac za podizanje ne može zavariti

Proizvođači lanaca za motocikle predstavili razloge zašto se lanac za podizanje ne može zavariti

Lanac za podizanje sastoji se od više karika lanca. Specificirana je veličina i korak svake karike lanca. Na istom lancu za dizanje ovi bi podac...