Dom / Vijesti

Vijesti

Proizvođač tihih lanaca predstavlja kako se nositi s trošenjem transportnog lanca

Proizvođač tihih lanaca predstavlja kako se nositi s trošenjem transportnog lanca

Transportni lanci naširoko su korišteni u svim sferama života, ali mnogi ljudi ne znaju dovoljno o njima, pa ih ne zanima njihovo podmazivanje i...

Proizvođač poljoprivrednih lanaca predstavlja tijek rada transportnog lanca

Proizvođač poljoprivrednih lanaca predstavlja tijek rada transportnog lanca

Lančani transporter je na teretnom lancu, a između karika lanca je dodan viši valjak za transport robe, dok transportni lanac koristi valjke za ...

Što tvornica transportnih lanaca predstavlja o razini proizvodnje lančanika

Što tvornica transportnih lanaca predstavlja o razini proizvodnje lančanika

Lanac od nehrđajućeg čelika uobičajeni je pogonski uređaj. Dizajn dvostruko zakrivljenog lanca smanjuje trenje. Koristi relativno veliku snagu i...

Industrial Sprocket Factory predstavlja kako popraviti glatku površinu lanca

Industrial Sprocket Factory predstavlja kako popraviti glatku površinu lanca

Kako bi se zadovoljili zahtjevi za ugradnju različitih specifikacija strojeva, specifikacije odabira lanca od nehrđajućeg čelika također su razl...

Proizvođači lančića predstavljaju kako pravilno koristiti lanac

Proizvođači lančića predstavljaju kako pravilno koristiti lanac

Lanac od listova Proizvođač predstavlja kako pravilno koristiti lanac: 1. Prije ugradnje lanca, može se primijeniti tek nakon...

Proizvođači industrijskog lanca predstavljaju uzrok buke u lancu

Proizvođači industrijskog lanca predstavljaju uzrok buke u lancu

Nakon dugotrajne primjene mnogi strojevi i oprema lančanih pokretnih traka uzrokovat će određenu količinu buke. Kada transportni lanac radi, lan...

Proizvođači tihih lanaca predstavljaju ulogu zupčanika

Proizvođači tihih lanaca predstavljaju ulogu zupčanika

Tihi lanac Proizvođači predstavljaju ulogu zupčanika: 1. Uloga Shenyang zupčanika prvenstveno je dovršiti prijenos gibanja i ...

Proizvođači lanaca za motocikle predstavljaju tehnologiju obrade zupčanika

Proizvođači lanaca za motocikle predstavljaju tehnologiju obrade zupčanika

Lanac motocikla Proizvođači uvode tehnologiju obrade zupčanika. 1. Gredice za lijevanje: vruće kovanje je još uvijek široko...

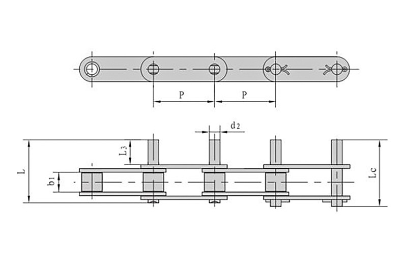
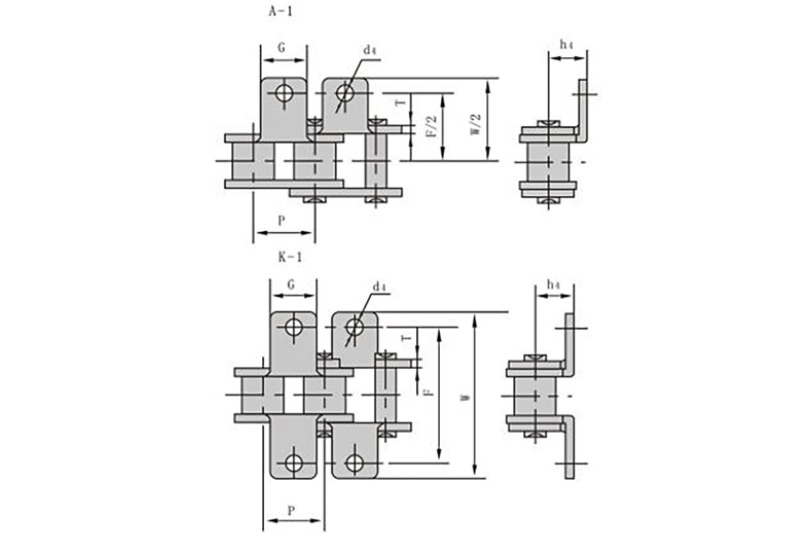
Tvornica valjkastih lanaca predstavlja niz prilagodljivih lanaca

Tvornica valjkastih lanaca predstavlja niz prilagodljivih lanaca

Ploče od nehrđajućeg čelika već su dugo naširoko korištene u našem svakodnevnom životu, ali mnogi kupci će se zapitati u koje je prirodno okruže...

Tvornica pogonskih lanaca uvodi princip kontrole buke i brzine lanca

Tvornica pogonskih lanaca uvodi princip kontrole buke i brzine lanca

Pogonski lanac Tvornica uvodi princip kontrole buke i brzine lanca: 1. Ciljajući na problem prekomjerne buke pri korištenju l...

Proizvođači poljoprivrednih lanaca uvode mjere opreza za korištenje transportnih lanaca

Proizvođači poljoprivrednih lanaca uvode mjere opreza za korištenje transportnih lanaca

Među raznim vrstama prijenosnih lanaca u industrijskoj proizvodnji, transportni lanac je relativno čest, više jer njegova primjena često dovodi ...

Proizvođači lanaca mjenjača uvode mjere predostrožnosti za popravak površine lanca

Proizvođači lanaca mjenjača uvode mjere predostrožnosti za popravak površine lanca

Kako bi se zadovoljili zahtjevi za ugradnju različitih specifikacija strojeva, specifikacije odabira lanca od nehrđajućeg čelika također su razl...